logo

工业铝型材源头工厂 专注工业铝型材16年

咨询热线:133-8190-9160

  

澳宏二维码

B体育在线平台(中国)官方网站

铝型材开模定制的价格贵吗?

作者: 编辑: 来源: 发布日期: 2021.05.25
信息摘要:
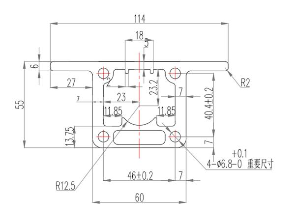
智能化、数字化工厂已经成为了大趋势。工业厂家对铝型材框架的需求量也在与日俱增。工业设备生产中可能会遇到各种各样的铝型材配件,大多数是形状不规…
智能化、数字化工厂已经成为了大趋势。工业厂家对铝型材框架的需求量也在与日俱增。工业设备生产中可能会遇到各种各样的铝型材配件,大多数是形状不规则的,在这种情况下就需要开模定制铝型材了。

相对来说,铝型材模具费跟压铸铝莫具费比起来,还是算比较便宜的。当然,这开模具的价格也跟定制数量、铝型材形状的复杂程度,开模难易程度有很大的关系。

图片3

如果需要具体的价格的话,还需要提供铝型材图纸过来,让技术评估之后才能报出一个完整的价格。如果您这边无法提供图纸,那么我们澳宏铝型材也可以根据你的要求绘制出图纸。一般技术会根据图纸来进行进一步的修改,以便达到最佳的开模效率以及降低报废的几率。


如果你有铝型材框架方面的疑问与需求,欢迎来找上海澳宏铝型材。上海澳宏专注与铝型材解决方案13年,涉及5000种行业成功案例,60000多个合作案例,200+连接方案,品质有保证。澳宏铝型材拥有自己的研发部门,1对1技术解答,工程师在线技术支持,快速解决图纸的问题,能够在第一时间将报价送到客户手中,节约客户的时间,提高客户的生产效能。澳宏铝型材以高品质、短交期助力中国制造业的发展,致力成长为让社会感动的工业铝型材框架定制品牌。

澳宏铝业 

总部地址:上海青浦区沪青平公路3938弄17栋 

生产基地:江苏昆山千灯镇宏洋路20号-88号 

网址:www.netatarim.com 

澳宏推荐资讯
4545铝型材:为集成电路系统支架提供稳固支撑

4545铝型材:为集成电路系统支架提供稳固支撑

本文探讨了4545铝型材在制造高性能集成电路系统支架中的应用优势。澳宏铝业详解该型材如何以其高强度、耐腐蚀及灵活定制特性,为集成电路系统提供稳定、可靠的支撑解决方案,延长设备使用寿命。
机器人安全门铝型材:高效防护,助力智能生产安全升级

机器人安全门铝型材:高效防护,助力智能生产安全升级

随着工业自动化普及,机器人作业区的安全防护至关重要。澳宏铝型材打造的机器人安全门铝型材防护系统,以其高强度、耐腐蚀、模块化设计等特点,有效隔离危险区域,保障人员与设备安全,并支持快速拆装与灵活布局,是构建智能、安全生产环境的理想选择。
智能制造需求旺盛,工业铝型材迎来发展新机遇

智能制造需求旺盛,工业铝型材迎来发展新机遇

随着工业4.0与智能制造的全面推进,工业铝型材作为自动化设备的骨架,其市场需求持续增长。本文探讨了在智能化浪潮下,工业铝型材在技术升级与应用拓展方面迎来的新发展机遇。

全国服务热线

133-8190-9160

澳宏专业铝型材及配件供应商
联系电话: 133-8190-9160 技术支持:

    • *