全国服务热线


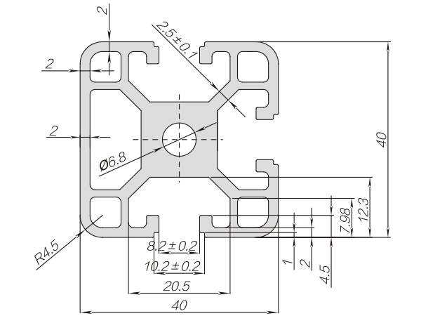
【产品型号】:001 08 40 40N1
【产品尺寸】:40*40mm
【产品长度】:6m
【集合惯性】:Lx:9.25cm4 Ly:9.25cm4
【截面惯性】:Zx:4.86cm3 Zy:4.86cm3
【单位质量】:1.96kg/m
133-8190-9160

数字化管理
快速交付
完善的ERP系统,执行数字化系统的管理,实现订单规范化、流程简单化,能高效率且准时完成交付。
CNC加工
品质保障
配备铣床和CNC数控自动化加工中心,铝型材的精深加工公差可控±0.3mm,铝型材产品通过第三方的质量检测。

DIY绘图
便捷设计
提供在线DIY设计支持,亦可提供技术出图拆图支持,帮助客户快速解决图纸设计问题,免费提供技术协助。
即时响应
服务无忧
设立即时响应服务机制,提供一对一顾问式全程服务,针对问题快速响应,为客户营造安心、愉悦的采购体验!

多种铝型材可选
常备千吨现货库存,快速发货



1.切割无毛刺
表面经过消光处理(E6)以及加压氧化处理,2.高承载能力
Al+Mg+Si合金挤压型材,高强度内凹3.耐刮擦 耐腐蚀
经过氧化银白色(CO) 阳极化处理,4.方便拆装
免打孔设计,日常工具即可轻松安装和拆卸多种铝型材可选
常备千吨现货库存,快速发货
专业数控设备切割精准
进口数控全自动伺服切割设备,快速
高效CNC数控切割精度可达士0.2mm
专业加工中心,打孔精准



快速安全送达
高新技术企业、5S生产管理体系、
完善的ERP系统,执行数字化系统的管理,
高效率完成生产加工,快速交付



切割
机加工
组装
产品
交付
为了向客户提供“高品质,低价格,短交货期”的独创性高的产品及服务
框架定制在铝型材定制中占的比重在80%以上。不管是生活中...
工业铝型材因为如下优点,被广泛运用于各类铝型材框架,流水...
框架定制在铝型材定制中占的比重在80%以上。不管是生活中...
工业铝型材因为如下优点,被广泛运用于各类铝型材框架,流水...
随着人民的生活水平的提高,在现今社会中铝合金型...
质量为本,诚信为金——澳宏铝业告诫员工时刻牢记3.152...
努力避免铝型材产品生产成本向客户转移——澳宏铝业深度分析...
质量为本,诚信为金——澳宏铝业告诫员工时刻牢记3.152...
努力避免铝型材产品生产成本向客户转移——澳宏铝业深度分析...